Commuplant

Bachelor of Industrial Design Capstone Project


Post-pandemic, social interactions were limited and stifled by restrictions during the pandemic. I conceived a solution to address this isolation and to build connection and community. As a capstone project, I developed a product that would interface between a user's plant and an online gardening community. This interaction would create a sense of connection through an exchange of information, problem solving and sharing a common interest or passion.

Research

Extensive research was performed to better understand the underlying problems this product would attempt to fix, how these problems could be tackled, and to gather first-hand feedback from potential users.

Research methods used included scientific paper referencing, interviews, and focus groups

Process

The results identified what the product needed to perform to succeed. Development could begin. The product took shape through the use of rapid prototyping tools like 3D printing, sketching, and rough modelling.

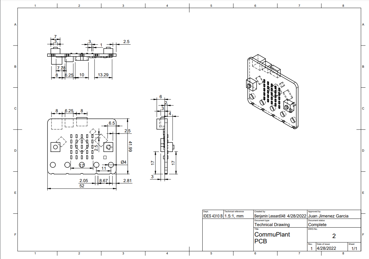
The final product used website design, 3D printing, Microbit PCB programming, and soldering to provide a comprehensive solution to social connection post-pandemic through gardening communities.

When inserted into the soil of a potted plant and connected to a mobile device, this product would provide feedback on the plant's health, connect the user to an online community of gardeners for plant-related problem-solving, and gamify the entire process, encouraging social connection and engagement with others.


Product

◀◀◀ Steristore
Mound ▶▶▶